ESD与内部电路的协同设计:芯片可靠性的基石
在现代集成电路(IC)设计中,ESD(静电放电)与内部电路的协同设计已成为不可或缺的一环。ESD事件(如人体放电HBM、机器放电MM、充电器件放电CDM)可在极短时间内(纳秒级)产生数千伏高压和数安培大电流,若不加以控制,将导致芯片永久性损坏。传统的“后期修补式”ESD设计已无法满足先进工艺、高速接口和复杂系统的需求,而ESD与内部电路的协同设计可确保可靠性、性能和成本的最优平衡。


图1 ESD保护窗口和工艺节点的关系
ESD(静电放电)与内部电路的协同设计,是指在芯片设计初期就将ESD防护机制与内部功能电路进行系统性整合的设计方法论。它要求工程师在电路架构、器件选型、版图布局等环节同步考虑ESD防护需求,而非后期简单添加保护结构。协同设计的核心在于建立高效安全的ESD电流泄放路径,同时确保防护结构不影响内部电路的性能、功耗及功能完整性。


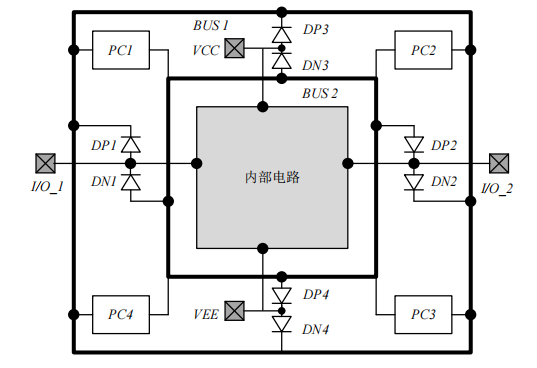
图2 全芯片ESD保护示意图
传统的“后期修补式”ESD设计虽在传统工艺中发展较为完善,但在先进工艺尤其3nm以下工艺却存在“致命缺陷”。1、防护失效:ESD电流流经敏感电路(如栅氧薄层),导致击穿损坏;2、性能劣化:I/O接口的ESD寄生电容(>1pF)造成高速信号衰减(如112Gbps SerDes眼图闭合);3、闩锁效应:ESD触发寄生PNP-NPN结构,引发大电流锁存(Latch-up),烧毁芯片;4、面积浪费:后期修补式ESD设计占用30%以上I/O面积,挤压布线资源;5、动态干扰:CDM(充电模型)ESD事件中,ns级电压尖峰干扰ADC/RF电路工作。
ESD与内部电路的协同设计相较于传统方法,可平衡防护强度与性能、权衡面积与可靠性、确保动态响应与电路稳定性。核心优势体现为:1、可靠性跃升:芯片HBM防护等级从2kV提升至8kV,失效率降低10倍;2、性能零妥协:112Gbps SerDes接口插损<0.5dB,ESD电容控制在0.2pF;3、面积高效化:I/O区域利用率提升40%,7nm芯片节省约0.02mm²/core;
- 系统级防护:解决Chiplet系统中跨die ESD冲击,封装寄生电感影响降低60%。


图3 带有和不带ESD保护电路的LDO调节器和可靠性和可持续性差异
ESD与内部电路的协同设计通常从三个路径实现:1、架构级协同:分级防护机制[Primary级(GGNMOS/SCR)+ Secondary级(RC-Clamp)+电源域Clamp)]、域隔离设计(敏感模块(PLL/RF)采用深N阱隔离,Guard Ring宽度>5μm)、电流路径规划(专用ESD接地环(ESD GND Ring)避免与信号地共用);2、电路级优化;3、版图与工艺协同:对称布局(多指型GGNMOS采用叉指结构,确保均匀开启)、金属规则(ESD路径线宽≥20μm,电流密度<0.5mA/μm)、FinFET工艺适配[采用堆叠式二极管(Stacked Diode)应对1nm栅氧击穿电压]。


图4 片上和板级ESD协同保护设计。(a)版图示意图;(b)优化ESD保护策略
当下,各种前沿挑战接踵而至(3nm GAA栅氧击穿<2V、 224Gbps超高速接口、 3D IC电流路径耦合、极端环境可靠性 ),ESD和内部电路的协同设计已超越技术范畴,成为芯片竞争力的关键指标。
芯片的每一次ESD失效,都是协同设计缺失的代价。从架构师到版图工程师,必须将ESD防护基因写入设计全流程。唯有如此,方能在纳米尺度与千伏高压的对抗中,为芯片铸就不破金身。
